Канализационные насосные станции

ACO: гарантия качества и бесперебойной работы канализационных систем

Корпус КНС из стеклопластика, который выдерживает экстремальные нагрузки и агрессивные среды, сохраняя герметичность и долговечность на десятилетия. Срок службы 50+ лет. Гарантия 5 лет.
Прочность без компромиссов. Современные материалы и заводское качество обеспечивают устойчивость к коррозии и сейсмическим нагрузкам, деформациям и механическим воздействиям.
Гарантия качества каждого элемента. Изготовленная станция проходит контроль на всех этапах — от проектирования до поставки, что подтверждает стабильную работу даже в самых сложных условиях.
Производство в России с 1998 года. С ACO вы получаете не просто оборудование, а уверенность и спокойствие за бесперебойную работу системы.

КНС - канализационная насосная станция

ПРОЕКТИРОВАНИЕ, изготовление, поставка, монтаж и пусконаладка.


Канализационная насосная станция работает в автоматическом режиме, перекачивая стоки по сигналу от датчика уровня. КНС заводского изготовления полностью готова к работе после монтажа в грунт. 

Станция оборудована запорной арматурой, сороулавливающей корзиной или дробилкой, лестницей с площадкой обслуживания, грузоподъемным устройством, павильоном-операторской.

Напишите ваш вопрос в WhatsApp и мы свяжемся с вами для обсуждения деталей проекта

КНС из стеклопластика

кнс заводского изготовления

КНС устанавливается на бетонное основание и крепится анкерными болтами. В случае монтажа в обводненный грунт, необходимо обеспечить защиту от всплытия с помощью железобетонного пригруза, для этого КНС дополнительно оснащается анкерной юбкой.

Комплектная КНС под ключ

Корпус из стеклопластика

КНС ACO-ECOLift – это комплектная унифицированная линейка насосных станций малой и средней производительности. На 100% проработанное техническое и технологическое решение, основанное на более чем 20 летнем опыте компании.

Погружные насосы

погружные насосы

Корпус КНС ACO ECOLift подготовлен для установки одного или двух насосных агрегатов, подобранных исходя из оптимальных характеристик. Система автоматики с набором опций, идеально подходящая для КНС – в комплекте. Насосы опускаются по направляющим.

СРОК ИЗГОТОВЛЕНИЯ ОТ 5 РАБОЧИХ ДНЕЙ

Мы разработали стандартную линейку насосных станций и держим на складе все необходимые комплектующие для обеспечения минимальных сроков поставки. В большинстве случаев срок от заказа КНС до готовности оборудования к отгрузке не превышает 5 рабочих дней.

ACO ecolift
преимущества КНС ACO ecolift
ОПТИМИЗИРОВАННАЯ ФОРМА ДНА ДЛЯ УМЕНЬШЕНИЯ ОСАДКА В КНС
ВОЗМОЖНОСТЬ УСТАНОВКИ НАСОСОВ ЛЮБЫХ ПРОИЗВОДИТЕЛЕЙ
ГРУЗОПОДЪЕМНОЕ УСТРОЙСТВО НА КОРПУСЕ ДЛЯ ПОДЪЕМА ОБОРУДОВАНИЯ
ПРОСТОЙ И ПОНЯТНЫЙ ШКАФ УПРАВЛЕНИЯ
ГИБКАЯ КОМПЛЕКТАЦИЯ: КОРЗИНА, ЛЕСТНИЦА, ПЛОЩАДКА, УТЕПЛЕНИЕ, АРМАТУРА, ИЗМЕЛЬЧИТЕЛИ
Насосы канализации с сухими двигателями
КАНАЛИЗАЦИОННые насосы DAN Pumps

Канализационные насосы DAN Pumps - оптимальное соотношение цены и качества. 

Насосы DAN Pumps производятся в Дании и соответствуют строгим европейским нормативам. 

При изготовлении насосов используются самые современные достижения насосной техники. Такие как, двигатель "Siemens", картриджное торцевое уплотнение, полуоткрытые и адаптивные импеллеры, закрытые рубашки охлаждения, заполненные охлаждающей жидкостью.

нестандартные канализационные насосные станции

Для особых проектов, в том случае если стандартные решения не могут обеспечить необходимые требования, мы можем предложить насосные станции горизонтального исполнения и КНС из нескольких корпусов.

КНС с горизонтальными резервуарами
кнс с горизонтальными корпусами

Исполнение с двумя или более корпусами, позволяет увеличить рабочий объем КНС и разместить большее количество насосного и периферийного оборудования. Корпус КНС размещается горизонтально в случаях, когда выполнить глубокий котлован невозможно по причине высокого уровеня грунтовых вод, при монтаже в скальный грунт или иные ограничения.

КНС с погружными насосами
многокорпусная кнс - КНС из нескольких корпусов как единая система

Многокорпусная КНС может состоять из: приемного колодца с сороулавливающей корзиной или измельчителем на подводящей трубе; распределительных колодцев между корпусами с насосными агрегатами; корпусов с насосными агрегатами, обеспечивающими заданную производительность КНС, камеры переключения с запорно-регулирующей арматурой и КИП.

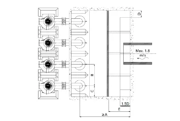
проектирование кнс в железобетонных резервурах

При разработке проектов крупных районных или городских насосных станций важно учитывать гидравлические требования для оптимальной работы насосов и экономного расхода материалов. На основе рекомендаций производителей насосного оборудования мы можем разработать для Вас дизайн оптимальных насосных станций из железобетона.

гидравлическое проектирование
проектИРОВАНИЕ КНС

В идеале поток жидкости перед насосом должен быть равномерными устойчивым, без завихрений и увлечений воздуха в водный поток. Отсутствиеоднородности потока жидкости может снизить эффективность работы насосов, так как насос рассчитан на перекачивание воды а не водо-воздушной смеси с непредсказуемыми физическими свойствами.Нестационарный поток вызывает нагрузку на рабочее колесо, что может привести вибрации и разрушению подшипников.

Напишите ваш вопрос в WhatsApp и мы свяжемся с вами для обсуждения деталей проекта

Грамотный дизайн насосной станции для канализации

Правильный дизайн насосных станций помогает исключить проблемы с насосами и продлить их эффективную работу.

Мы предоставляем нашим клиентам услугу по разработке гидравлически правильного проекта КНС с учетом всех особенностей перекачивания сильно загрязненных канализационных стоков.

Делаем подбор всего необходимого оборудования с учетом рекомендаций производителя насосов.

Проектирование КНС
Насос с ножом
насосы с измельчителем для перекачивания канализационных стоков с волокнистыми включениями

Рабочие колеса изготавливаются из чугуна, нержавеющей стали или дуплекса в зависимости от назначения. Тип рабочего колеса: канальный, полуоткрытый, с режущим механизмом - в зависимости от состава стоков.

Насос для канализации
насосы для горизонтальной установки в машинном зале насосной станции в комплекте с двигателем и рамой

Насосы горизонтальной установки могут комплектоваться моторами IP55 с воздушным охлаждением или моторами IP68 с закрытым контуром жидкостного охлаждения.

DAN Pumps
насосы DAN PUMPS

Серия насосов S-WP предназначена для установки в машинном зале, в резервуаре сточных вод или для временной установки с возможностью выбора вихревого рабочего колеса, полуоткрытого рабочего колеса типа B-tween или рабочего колеса канального типа.

Двигатели серии DanPumps S-WP сертифицированы по стандарту IE3, оснащены изоляцией класса F с возможностью опции класса H, тремя термовыключателями и датчиком влаги, который предупреждает о протечке до того, как двигатель будет повреждён.

канализационные насосы FLYGT

Насосы серии Flygt N успешно выполняют свою функцию в самых тяжелых рабочих условиях. Каждый компонент спроектирован и изготовлен так, чтобы обеспечить стабильно высокую эффективность. Благодаря запатентованной N-технологии с инновационным самоочищающимся рабочим колесом, насосы серии Flygt N имеют самую высокую общую эффективность. Они снижают ваши счета за электричество и затраты на незапланированное техобслуживание. Для пользователя это означает спокойствие и большую экономию в течение длительного времени.

Насосы Flygt
ПРОЕКТИРОВАНИЕ КНС
необходимо учитывать шесть основных проблем
Проектирование гидравлики в КНС

1. Неравномерность потока на всасе - влияет на эффективность и производительность насосов, а также может стать причиной кавитации.

2. Неравномерная скорость потока - может повлечь шум, вибрацию и преждевременный износ подшипников, а также влияет на эффективность работы насосов.

3. Наличие вихрей в потоке - создают кавитацию, вибрацию насоса и неравномерную нагрузку на подшипники.

Напишите ваш вопрос в WhatsApp и мы свяжемся с вами для обсуждения деталей проекта

4. Захват воздуха - может стать причиной кавитации, преждевременного износа рабочего колеса насоса и снижению общей эффективности работы насоса.

5. Образование осадка - приводит к выделению вредных взрывоопасных газов, снижает рабочий объем насосной станции.

6. Плавающий мусор - большие скопления загрязнений на поверхности воды могут быть причиной нарушения работы автоматики и засорению насосов.

Оптимизация гидравлических потоков в КНС
Вам могут быть интересны и другие продукты ACO
Насосы флюгт, флигт

Канализационные насосы Flygt

Канализационные насосы для решения задач перекачивания загрязненных сточных вод в системах ливневой и бытовой канализации, а также при откачивании воды из шахт, карьеров, строительных котлованов.

Дробилки канализационные

Канализационные дробилки

Надежные и эффективные дробилки Vogelsang с монолитными роторами предназначены для защиты насосов и другого оборудования в системах канализации от засорения.

Дизельные насосные станции

насосные станции Godwin CD и HL

Перекачивают неочищенные сточные воды, шлам и жидкости, с твердыми частицами диаметром до 125 мм. Автоматическое начало работы без заливки с глубины 8,5 м. Работа без воды. На выбор предлагается серия CD высокой производительности и среднего напора, а также серия HL средней производительности и высокого напора.

Канализационныее дизельные насосы

насосные станции Godwin NC

Насос Godwin, с самоочищающейся гидравлической частью Flygt. Насос, который продолжит перекачивать неочищенные канализационные стоки с неизменной эффективностью, как в первый день, так и через 100 дней. Насос, который не забьется и не потребует аварийного техобслуживания.